valve cover gasket sealant for honda civic
How To Replace A Valve Cover Gasket Leak In 3 Steps Family Handyman
Changing Valve Cover Gasket Honda Tech Honda Forum Discussion
How To Replace The Valve Cover Gasket On A 2002 2005 Honda Civic With 1 7l Engine Youtube
Replaced Rocker Cover Gasket Seal And Still Leaking Honda D Series Forum
Fel Pro Engine Valve Cover Gasket Set In 2022 Valve Cover Valve Honda Element
2006 2015 Honda Civic Valve Cover Gasket Replacement Diy Youtube
Replacing The Valve Cover Gasket On My Honda Civic 1999 D15b Engine 4 Steps Instructables
How To Replace A Valve Cover Gasket Leak In 3 Steps Family Handyman
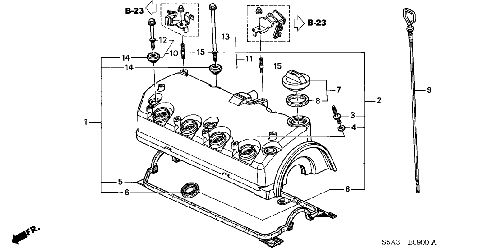
Honda 01 05 Civic Oem Valve Cover Gasket K Series Parts
Honda K Series Valve Cover Gasket K Series Parts
Honda Accord How To Install Valve Cover Gasket Honda Tech
Amazon Com A Premium Engine Valve Cover With Gasket Compatible With Honda Accord 2018 2019 Civic 2016 2019 Cr V 2017 2019 1 5l Turbo Automotive
How To Replace Valve Cover Gasket Set 96 00 Honda Civic Youtube
Small Oil Leak On Valve Cover Of 03 Honda Civic Forum
Why Is My Valve Cover Gasket Leaking Bluedevil Products
Honda 01 05 Civic Oem Valve Cover Gasket K Series Parts
Honda Accord How To Install Valve Cover Gasket Honda Tech
What Are The Symptoms Of A Leaking Valve Cover Gasket
How To Replace Valve Cover Gasket Set 01 05 Honda Civic Youtube
